康春-携手共创未来
航模火花塞壳体
产品详情
视频展示
产品简介
本产品是各种航模专用的火花塞外部金属壳体,产品结构虽简单,但制造工艺复杂,技术要求很高,故采用特殊工艺要求进行生产,目前广泛应用于各种小型飞机、无人机、航空模型等。本产品可采用镀锌、镀钛、镀镍等多种表面处理方式,可选用的材料有SWCH20A、SWCH15A、SWCH10A等各种优质冷镦钢材。我司严格按照国际标准规范生产,确保产品质量达到客户要求。
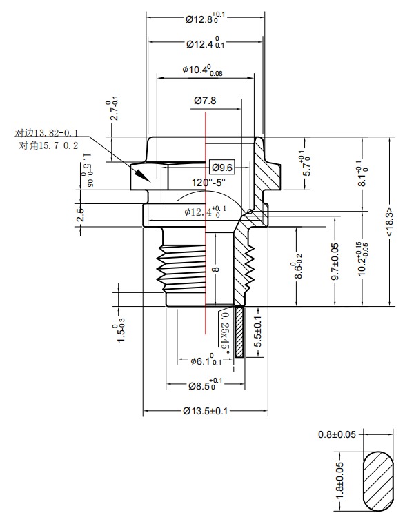
结构图纸

技术参数
产品名称 | 航模火花塞壳体 |
材质 | SWCH10A、SWCH15A、SWCH20A、ML08AL、Q235A |
表面处理 | 镀黑钛、镀黄钛、镀锌、镀珍珠镍、镀双层镍、镀亮镍 |
外径规格(mm) | 5~32 |
长度范围(cm) | 8~60 |
工作压力(Mpa) | 0.3~0.65 |
工作温度(℃) | -5~50 |
产品产地 | 浙江省宁波市 |
加工设备 | 线切割机、中频焊机、电阻焊机、精密冲床、精密磨床、数控车床、两轮滚丝机、三轮滚丝机、去内/外焊疤冲床等 |
检验设备 | X射线膜厚测试仪、影像仪、投影仪、闪测仪、力矩扳手、维氏硬度计、洛氏硬度计、盐雾试验机、万能试验机、压力试验仪等 |
包装选择 | 纸箱包装 |
厂家优势
①从事航模火花塞壳体等相关产品的设计、研发、制造与销售已超过30年;
②有多个外观专利和实用新型专利证书,并通过了IATF16949:2016认证;
③已累计生产火花塞壳体系列产品1000余种,其中独立研发产品超过400种;
④拥有一支总数十人的专业技术团队,并引进数百台先进的生产&检测设备;
⑤公司不断投入资金,持续推进技术提升、工艺优化及自动化设备改造,现产能已提升至6000万只/年。

生产设备
公司拥有一支技术实力强大的生产与管理团队,同时引进了数百台先进的生产加工设备,包括自动数控车床、自动滚丝机、自动碰焊机等。

检测设备
公司配置了一整套先进的产品检测设备,如x射线膜厚测试仪、数字显微镜、闪测仪、影像仪、投影仪、硬度计等,确保产品的出厂品质。

荣誉证书
我公司已通过了IATF16949:2016汽车行业技术规范管理体系认证,并拥有多项产品外观专利及实用新型专利证书。

配套企业
公司为博世集团、美国方牌集团、辉门(裕罗)青岛火花塞有限公司、株洲湘火炬火花塞有限责任公司等多家国内外知名汽车零部件企业提供优质的服务与产品,赢得了这些公司的高度评价。

订货须知
欢迎订购康春的航模火花塞壳体系列产品,我们将为您提供高质量的产品及完善的服务。
订货时请您注意以下几点:
1.订货时请注明产品的型号、规格、配件选择、数量、包装要求以及收货地址、联系电话和单位的开票资料等详细信息数据。
2.若客户有特殊要求,请与本公司技术商议,协议达成后,将进一步订购排产。
3.网站上产品图片及技术参数仅供用户订货时参考,订货时根据您的实际情况需要您提供详细具体的产品要求并进行确认。
联系我们
公司:慈溪市康春汽车零部件有限公司
电话:13777041410
邮箱:kangchun@cnkangchun.com









