康春-携手共创未来
割草机火花塞壳体
产品详情
视频展示
产品简介
康春五金专业研发生产各种类型割草机专用火花塞金属外壳,是割草机设备内火花塞的主要配件之一。本产品的材料可选SWCH10A、SWCH15A、Q235A、ML08AL等多种钢材,外表面可采用镀锌、镀黑/黄钛、镀亮镍、镀双层镍等处理方式。由于我司销售的此类产品种类丰富、规格多样、品质优秀且性价比高,因而深受国内外新老客户的青睐。
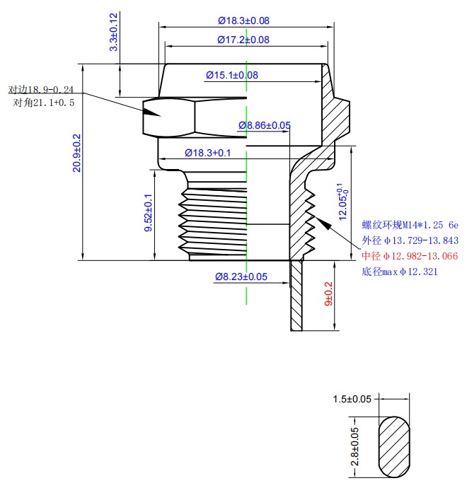
结构图纸

技术参数
产品名称 | 割草机火花塞壳体 |
材质 | SWCH20A、ML08AL、SWCH15A、Q235A、SWCH10A |
表面处理 | 镀亮镍、镀黄钛、镀双层镍、镀锌、镀珍珠镍、镀黑钛 |
外径规格(mm) | 5~32 |
长度范围(cm) | 8~60 |
工作压力(Mpa) | 0.3~0.65 |
工作温度(℃) | -5~50 |
产品产地 | 浙江省宁波市 |
加工设备 | 全自动数控车床、全自动去内/外焊疤冲床、线切割机、中频焊机、电阻焊机、两轮滚丝机、三轮滚丝机、精密磨床、精密冲床等 |
检验设备 | 闪测仪、X射线膜厚测试仪、压力试验仪、电子万能试验机、盐雾试验机、力矩扳手、洛氏硬度计、维氏硬度计、影像仪、投影仪等 |
包装选择 | 纸箱包装 |
厂家优势
①康春公司从事割草机火花塞壳体等产品的设计、研发、生产与销售已超30年;
②公司通过了IATF16949:2016认证,并且拥有多项外观专利及实用新型专利证书;
③公司现已累计生产1000余种火花塞壳体,其中独立研发产品超过400种;
④拥有一支数十人的专业生产与管理团队,同时引进了数百台先进的生产及检测设备;
⑤公司持续投入资金推进技术提升、工艺优化及设备改造,产能现已提升至6000万只/年。

生产设备
公司拥有一支技术实力强大的生产与管理团队,同时引进了数百台先进的生产加工设备,包括自动数控车床、自动滚丝机、自动碰焊机等。

检测设备
公司配置了一整套先进的产品检测设备,如x射线膜厚测试仪、数字显微镜、闪测仪、影像仪、投影仪、硬度计等,确保产品的出厂品质。

荣誉证书
我公司已通过了IATF16949:2016汽车行业技术规范管理体系认证,并拥有多项产品外观专利及实用新型专利证书。

配套企业
公司为博世集团、株洲湘火炬火花塞有限责任公司、辉门(裕罗)青岛火花塞有限公司、美国方牌集团等国内外多家汽车零部件知名企业提供优质的产品和服务,赢得了这些公司的高度评价。

订货须知
欢迎订购康春的割草机火花塞壳体系列产品,我们将为您提供高质量的产品及完善的服务。
订货时请您注意以下几点:
1.订货时请注明产品的型号、规格、配件选择、数量、包装要求以及收货地址、联系电话和单位的开票资料等详细信息数据。
2.若客户有特殊要求,请与本公司技术商议,协议达成后,将进一步订购排产。
3.网站上产品图片及技术参数仅供用户订货时参考,订货时根据您的实际情况需要您提供详细具体的产品要求并进行确认。
联系我们
公司:慈溪市康春汽车零部件有限公司
电话:13777041410
邮箱:kangchun@cnkangchun.com










